BF-TM8250の連続送信防止装置(電流検知タイプ)の試作
この装置は、意図的な2段リンクのテストで永久ループが発生してしまった場合に、無線機の電源入れ直しをサポート
するためのものです。
これを使っても永久ループの根本原因が解消するわけではありませんし、この装置があることを理由に無秩序な運用を
推奨するものでもありません。
運用周波数については、DMRデジピータ連絡協議会で示されている手順に沿って慎重に選定していただきますよう
お願いいたします。 by
JE6JVD
さて、前回は送信中に点灯するフロントパネルのLEDの光をセンサーで拾ってタイマーを作動させましたが、
今回は、無線機が送信状態になると消費電流が増えることに着目し、それをセンサーで検知させてみました。
センサーが磁気に弱いため、近くに磁石があると誤動作することがありますが、どのタイプのID装置にも対応できます。
なお、前回と重複する部分は説明を省略していますので、動作テストなどは、前回のものを参考にしてください。
1.必要なもの
前回に比べ、モジュールが何点か増えました。私は、Amazonで揃えましたが、お好みのショップで購入されてください。
1個しか使わないのに大量に入っているものもありますが、あしからず。
(1)
タイマーモジュール
(2)
IRセンサーモジュール
(3)
電流センサーモジュール
(4)
リレーモジュール
(5)
DCDCコンバータモジュール
(6) ケース
試作品なので、100均(セリア)で購入
(7) パーツ類
ヒューズ入り電源ケーブル … 1
結線用ケーブル … 少々
電解コンデンサ 220μF … 2
整流用ダイオード 1N4007 … 1
バナナジャック 4mm … 赤・黒 各1
2.作成方法
(1) タイマーモジュールの設定
前回と同じですので省略します。
(2) BF-TM8250の設定
今回は設定不要です。
(3) IRセンサーモジュールの改造
今回も、
倹約DIYさんのYouTubeを参考にさせていただきました。
赤外線センサーとIRセンサーを取り外した後、赤丸に1本リード線を取り付けます。

こんな感じにリード線を付け電流センサーのOUT端子に接続します。
(4) DCDCコンバータモジュールの調整
安定化電源をDCDCコンバータモジュールの入力側に接続し、出力側にテスターをあて5Vが出るように調整します。
半固定ボリュームを反時計回りに回すと電圧が下がるようになっています。くるくる回し続けると、あるところから
急に電圧が落ちてきます。
(5) リレーモジュールの改造
改造と言っても、バタつき防止のために220μFの電解コンデンサを1個取り付けるだけです。私は基盤に
直接付けました。
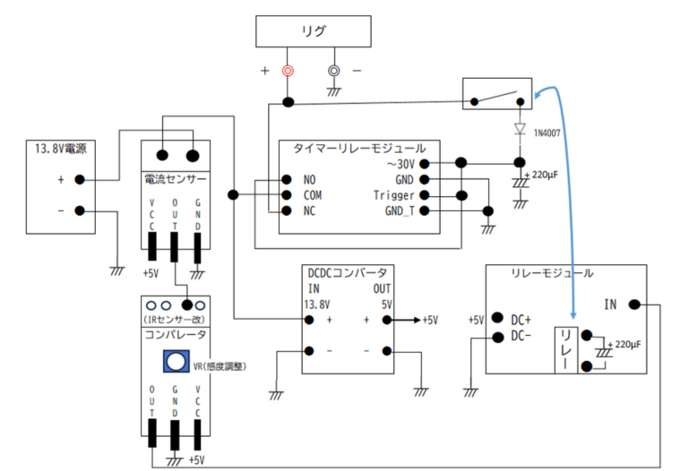
(6) 各モジュールの接続
下の図と写真を参考に結線してください。
今回もコンデンサとダイオードは空中配線しました。ショートに注意してください。

13.8Vの電源は、電流センサーの赤丸の端子に接続してください。反対にすると検知しません。
リレーモジュールは、NOとCOM端子を使います。ジャンパーピンは触りません。
◎完成した状態

モジュール類が増えたので、ケース内がゴチャゴチャしてきました。
タイマーモジュールの3端子レギュレータが結構発熱するので、気休めにラズパイ用の小さなヒートシンクを貼り付けています。
3.調整
(1) できるだけ磁気を帯びていない調整用ドライバーを準備します。(私のところでは多少帯磁していましたが大丈夫でした)
(2) BF-TM8250にこの装置を接続して電源を入れます。
(3) IRセンサーを改造したコンパレータの半固定VRを一旦右に一杯回し、少しずつ左に戻していくと、リレーがオンになる
ポイントがあります。そこから少し右に戻してリレーをオフにします。
(4) BF-TM8250を送信状態にすると、リレーがオンになり、タイマーモジュールが動作を開始することを確認して
ください。
私のテストではLow,Mid,Highいずれのパワーでも動作しました。(20W機)
4.最後に
前回の「LED検知タイプ」は、ID装置を選ぶ代わりに構造がシンプルで確実な動作をします。どちらも一長一短があります
ので、ご自分の環境に合わせて試してみてください。
これ以外にも、別のFM機でデジピータの周波数を受信し「ダダダ」というDMRの信号音をトリガーにする方法もやって
みました。これもうまくいきましたが出番はなさそうです(笑)
2025.11.12 JE6JVD